客服信息:19139051760(微信同号)
首页
找答案
注册
登录
网站首页
名词解释
全部试题
平台查询
所有科目
成人高考报名
当前位置:
首页
>
青书学堂
>
佳木斯大学语言治疗学
>
详细
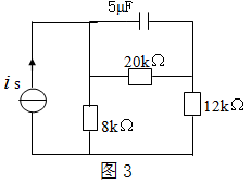
电路如图3所示,则电路的时间常数
为( )。
·0.05s
·0.1s
·0.05
·20
答案是:
单选题
·0.05s
出自
青书学堂
>
佳木斯大学语言治疗学
更多答案联系客服:19139051760
本题添加时间:2024/3/24 17:00:00
业余时间拿学历:
统考入学(成人高考)
黑龙江成人高考(学历提升)报名入口
注册成会员
您可能感兴趣的试题
∴
变压器是根据电磁感应原理工作的。( )
·正确
·错误
∴
中线不能断开,因此不能安保险丝和开关。( )
·正确
·错误
∴
某些电路在接通或断开的暂态过程中,会产生电压过高或电流过大的现象,从而使电气设备或器件遭受破坏。( )
·正确
·错误
∴
直流电路中,感抗为0,容抗为无穷大。 ( )
·正确
·错误
具体学校专业科目
黑龙江大学
哈尔滨理工大学
东北农业大学
哈尔滨医科大学
黑龙江中医药大学
哈尔滨师范大学
哈尔滨商业大学
黑龙江科技大学
黑龙江工程学院
哈尔滨学院
哈尔滨金融学院
哈尔滨体育学院
黑龙江外国语学院
黑龙江东方学院
哈尔滨剑桥学院
哈尔滨华德学院
哈尔滨工业大学
哈尔滨工程大学
黑龙江财经学院
哈尔滨石油学院
业余时间拿学历:
成人高考报名入口
国家开放大学答案
联大系统答案
青书学堂答案
柠檬文才答案
学起plus弘成